汽车进入中国千家万户的家庭短短不过15年有余,期间在中国加入世贸组织迎来全球化冲击的助推下,中国汽车市场摇身一变已成为第一的汽车产销大国,今天要说的不是汽车而是逆变器,现在汽车消费主力很大一部份是年轻...
2021-02-22
欧姆龙光电传感器,是一种检测光信号并将其转换为电信号的传感器件。其既可用于检测光强、光照度、辐射测温、气体成分分析等可直接引起光量变化的非电量,也可用于检测零件直径、表面粗糙度、应变、位移等可间接转...
2021-02-20
继电器在控制电路中有独特的电气、物理特性,其断态的高绝缘电阻和通态的低导通电阻,使得其它任何的电子元器件都无法与其相比,加上继电器标准化程度高、通用性好、可简化电路等优点,所以继电器应用十分广泛。G2R...
2021-02-19
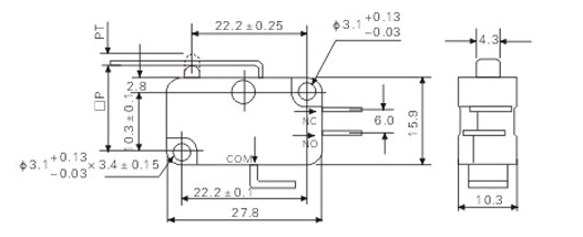
微动开关其实非常的常见,它主要用在如电脑鼠标、汽车鼠标器、汽车电子产品、通讯设备、军工产品,测试仪器、燃气热水器、燃气热水器、煤气灶、小家电、微波炉、电饭锅、浮球设备配套、医疗器械、楼宇自动化、电动...
2021-02-05
高频开关电源它是属于工业用品,可以测量bai模块的输出电流和电压、直流母线电流和电压、电源的输出电流和电压、电池充放电电流和电压等等,是保障通信设备、电网供电稳定和连续性的重要设备,这些设备维护得好坏,...
2021-02-04
尊敬的各位新老客户: 2020年是个不平凡的一年。在过去的一年里我们付出艰辛的努力,创造更好的成果。在此非常感谢大家对我们公司的支持与理解! 根据《国务院办公厅关于2021年法定假期安排的通知》规定,结合...
2021-02-04点击咨询
电话咨询
QQ咨询
微信咨询
回到顶部