2021-03-11
半导体芯片是推动现代科技向前发展的基石,其质量的优劣可以直接影响到电子设备的性能。因此,在其生产过程中有一道重要的工序就是对半导体芯片的性能进行检测,以保障在后续生产中能够正常运行。而继电器作为一种电控制器件,能够在检测工序中起到电源供应和信号切换的作用。
今天广州五福彩522cc电子为大家介绍的便是欧姆龙新上市的G3VM-WR系列MOS FET继电器,该系列继电器分为G3VM-31WR/G3VM-61WR/G3VM-101WR三个型号,负载电压分别为30V/60V/100V,最大连续负载电流分别为4.5A/3A/2A。这些产品均采用P-SON4型封装,应用在半导体检测设备中可以为设备提供较高的可靠性,助力检测更高效,并且凭借其较小的封装尺寸,也更有利于检测设备的小型化设计。

欧姆龙G3VM-WR 系列优势
小体积,顺应发展趋势
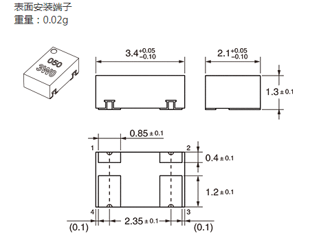
如今,电子设备逐渐向小体积的方向发展,对应用其中的电子元器件小型化要求也在逐步提高。为了顺应这一趋势,欧姆龙G3VM-WR系列产品全部采用无引线的小型大容量封装P-SON4,体积仅为3.4×1.3×2.1mm,这大大节约了电路板的使用空间,有助于产品小型化设计。
高性能,更加安全可靠
由于继电器的工作环境比较严苛,因此,出色的稳定性与耐受性是保障设备正常运行的基础。在性能方面,欧姆龙G3VM-WR系列产品的输入输出间耐电压为500Vrms(AC持续一分钟),并且具有较宽的工作温度范围,能够在-40℃~110℃(无结冰、无凝露)的环境下保持稳定运行。
应用示例
欧姆龙G3VM-WR系列产品凭借着较高的性能与小体积的优势,可广泛应用于半导体检测设备、通信设备、计量仪器和数据记录仪中。
点击咨询
电话咨询
QQ咨询
微信咨询
回到顶部