2021-01-11
今天来说说,现在的电子元器件超高性能的,那就是——欧姆龙G5NB继电器。

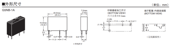
欧姆龙G5NB是一款耐冲击电压为10kV的1极3A/5A开闭的小型继电器,该器件采用了高功率电磁回路,能够实现高达200mW的灵敏度。并且欧姆龙G5NB继电器已经取得了UL、CSA、VDE认证,产品用途符合EN61010强化绝缘标准。

G5NB继电器是一直电子机械开关,它是用漆包铜线在一个圆铁芯上绕几百圈至几千圈,当线圈中流过电流时,圆铁芯产生了磁场,把圆铁芯上边的带有接触片的铁板吸住,使之断开第一个触点而接通第二个开关触点。当线圈断电时,铁芯失去磁性,由于接触铜片的弹性作用,使铁板离开铁芯,恢复与第一个触点的接通。
因此,可以使得G5NB继电器用很小的电流去控制其他电路的开关。整个G5NB继电器由塑料或有机玻璃防尘罩保护着,有的还是全密封的,以防触电氧化。

如上图所示,当控制电路中的开关K闭合时,电磁铁便具有磁性,将衔铁吸下,使继电器触点接触,与触点相连接的电源电路便接通;当控制开关K断开时,电磁铁的磁性被撤消,继电器触点弹开,电源电路亦随之断开。
小小的继电器看似不起眼,却是控制电路中不可或缺的存在。常用于:热水器、冰箱、空调、小家电。 欧姆龙在继电器、开关等器件的研发与制造方面,拥有丰富的经验和产品线,能够满足对产品多样化和高品质的追求。相信在未来,欧姆龙的产品将带给大家更美好的体验与享受。
点击咨询
电话咨询
QQ咨询
微信咨询
回到顶部