2021-04-12
现代社会,焊机越来越普遍化,不管是从家用焊机还是工业用途焊机,都会与焊枪相匹配进行使用。在焊接过程中,焊机作为一个能量提供者,焊枪作为焊接的执行者,通过电焊工操纵完成焊接的整个过程。不管是焊接工直接手动操作还是通过程序是机械手进行操作,都会需要随时变化方向或者焊接区域,这使得做这些准备工作的间隙中,电焊机往往处于空载运行状态。
现目前市场上大多使用双向晶闸管的交流式电焊机。使用双向晶闸管电源开关的电焊机电路有着以下特点:简单经济,方便维修且运行过程中有较高的可靠性。 原因在于双向晶闸管在正反电压下都能正常的导通,并且门极在正负脉冲下都可以进行触发。
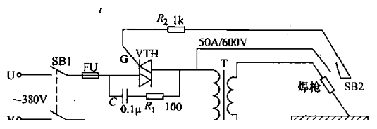
下图为电焊机控制电路图。

整个电路由SB1(开关),FU(熔断器),VTH(双向晶闸管),和T(电焊机变压器)为主要电路,由G(限流电阻)和SB2(微动开关)组成。当SB1闭合,电源接通,但是VTH未接通。只有当SB2闭合,同时在VTH机上正方向电压时,G处就会由正反向交流信号,使前端的主要电路接通。当焊接过程中出现停顿或者休息时,SB2微动开关处断开,主要电路交流电压为零,VTH处于关闭状态,此时切断电源。
以上为焊机和焊枪的使用电路动态情况。在这个过程中,SB2处微动开关需要长期处于常开状态,真正需要进行导通电路进行焊接的时候,按下微动开关,是原来的常开电路闭合,从而完成焊接。
点击咨询
电话咨询
QQ咨询
微信咨询
回到顶部