元器件&模块解决方案

全国服务热线

400 1386 882

139 0230 5242

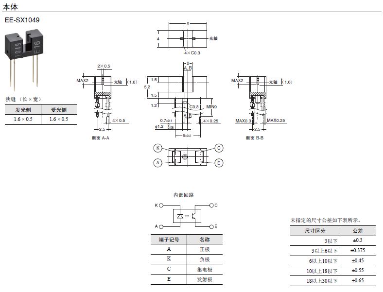
EE-SX1049微型光电传感器

小型凹槽端子型(槽宽:2mm)

EE-SX1049  微型光电传感器(透过型)

小型凹槽端子型(槽宽:2mm)

▶ 薄型(高度:5.2mm)

▶ 印刷基板用端子

▶ 带防止反向插入的定位凸台


额定值、性能

外形尺寸

电话咨询